ينطبق على الطرز: جميع أجهزة Hanwha ذات القدرة على الإدخال/الإخراج التناظرية
الملخص:
تستخدم جميع أو معظم الكاميرات وأجهزة الترميز وأجهزة التسجيل من Hanwha مرحلات الحالة الصلبة. في بعض التطبيقات الميدانية حيث لا يتفاعل الجهاز المجاور جيدًا مع خرج مرحل الحالة الصلبة، قد تحتاج إلى استخدام RBSN-TTL أو جهاز مكافئ.
شرح السلوك:
تتكون مرحلات الحالة الصلبة من مستشعر يستجيب لإدخال مناسب (إشارة تحكم)، وجهاز تحويل إلكتروني يقوم بتحويل الطاقة إلى دائرة الحمل، وآلية اقتران لتمكين إشارة التحكم من تنشيط هذا المفتاح بدون أجزاء ميكانيكية. تحتوي مرحلات الحالة الصلبة دائمًا على قدر معين من الجهد. وهذا يستلزم استخدام RBSN-TTL أو أجهزة مماثلة.
الحل:
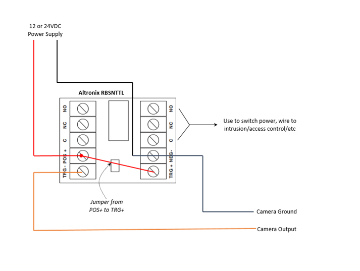
- يحتاج RBSN-TTL من Altronix إلى مصدر طاقة من جهة خارجية، إما 12 أو 24 فولت تيار مستمر. تبيع شركة Altronix مصادر الطاقة هذه، وهي تحتاج فقط إلى 45 مللي أمبير، لذا فهي طاقة منخفضة للغاية (الشكل 1)
- يمكنك تشغيل عدة RBSN-TTL من مصدر طاقة واحد
- من الضروري توصيل سلك التأريض للكاميرا بطرف NEG للأرضية المشتركة. ولأن هذا هو "تأريض سحب إلى الأرض"، فلا يلزم توجيه الوحدة نحو الكاميرا. في الاختبار الميداني، عملت على مسافة 250 قدمًا من الكاميرا باستخدام كبل ثنائي الموصل مقاس 22AWG (الشكل 1)
- توجد وحدات إخراج مرحل منخفضة المستوى أخرى متوفرة عبر الإنترنت، مثل SRD-12VDC-SL-C، والتي تعمل أيضًا.
لهذه الوحدة، تأكد من تحريك وصلة العبور من موضع H إلى موضع L للحصول على إدخال منخفض المستوى.
بالإضافة إلى ذلك، تحقق من سلك التأريض من الكاميرا إلى الطرف DC حتى يكون للأجهزة أرض مشتركة، وإلا فمن المحتمل أن تفشل.
※ تمت كتابة هذا المحتوى باستخدام مترجم Google وقد يحتوي على بعض الأخطاء.
تعليقات
لا توجد تعليقات
الرجاء تسجيل الدخول لترك تعليق.