Applies to Models: All Hanwha devices with analog I/O capability
Summary:
All or most of Hanwha's cameras, encoders, and recorders use solid-state relays. In some field applications where the adjoining device does not interface well with the solid-state relay output, you may need to use an RBSN-TTL or an equivalent device.
Explanation of Behavior:
Solid State Relays consist of a sensor that responds to an appropriate input (control signal), an electronic switching device that switches power to the load circuitry, and a coupling mechanism to enable the control signal to activate this switch without mechanical parts. Solid State Relays always have a certain amount of voltage present. This necessitates the use of the RBSN-TTL or similar devices.
Resolution:
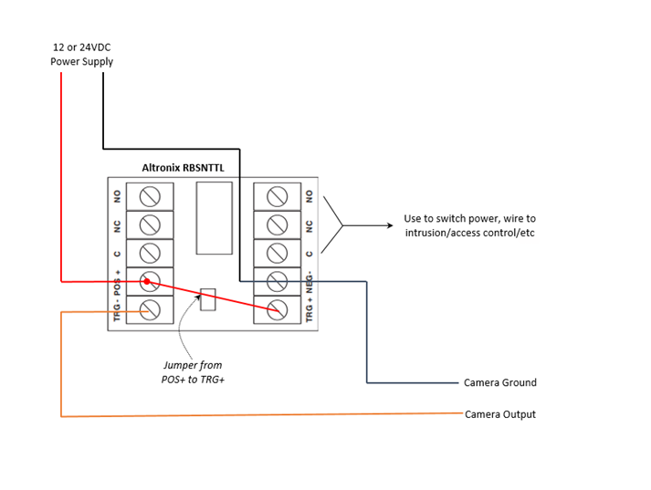
- The Altronix RBSN-TTL does need a third-party power source, either 12 or 24VDC. Altronix sells these power supplies, and it only needs 45ma, so it is very low power (Figure 1)
- You can power multiple RBSN-TTL's from a single power supply
- It is critical to wire the Camera Ground wire to the NEG- terminal for common ground. Because this is a "pull to earth ground," the module does not need to be directed at the camera. In field testing, it worked 250' from the camera using a 22awg two-conductor cable (Figure 1)
- There are other low-level relay output modules online, such as an SRD-12VDC-SL-C, that also work.
For this module, ensure to move the jumper from the H position to the L position for a Low-Level Input.
Also, check the Ground wire from the camera to the DC- terminal so the devices have a common ground, otherwise, it will likely fail.
Figure 1
Comments
0 comments
Please sign in to leave a comment.